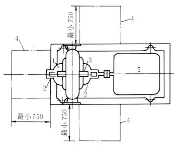
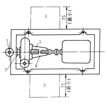
泵的布置方式 1. 露天布置 一般将泵集中布置在管廊下方或侧面,也可以布置在被抽吸设备附近, 主要优点是通风良好,操作和堆修方便。若泵布置在管廊下方时,泵出口中心线应对齐,距管廊柱中心线0.6m。 2. 半露天布置 半露天布置的泵适用于多雨地区, 一般在管廊下方布置泵,在管道上部设顶棚。或将泵布置在框架的下层地面上,以框架平台作为顶棚。根据泵的布置要求,将泵布置成单排、双排或多排。 3. 室内布置 室内布置的泵适用于寒冷或多风沙地区,以及工艺有特殊要求的场合。 泵的布置要求 1. 对于露天或半露天布置的泵,一般使泵与原动机的轴线与管廊轴线垂直。 2. 对于室内布置的泵,当其输送液体温度高于自燃点或输送液体为液态烃时,应与其他泵分别布置在各自的房间内,并用防火墙隔开。 泵布置在室内时,一般不考虑机动检修车辆的通行要求。泵端或泵侧与墙之间的净距不宜小于1.2~1.5m,两排泵之间净距不应小于2m。 3. 设备布置图上的定位尺寸,以泵机组的轴线和出口法兰的中心线为基准。设备的标高统一以泵底座的下表面(即泵基础的顶面)标高来表示。注意:各工程公司系统专业计算 NPSHa时是以泵基础的顶面为准,不是泵的进口中心线标高。而泵厂的NPSHr是以泵的进口中心线为准,两者相差泵的中心高。 4. 泵群要排列整齐,推荐以泵的出口中心线取齐。 5. 电气专业与工艺或布置专业应及时协调,在可能时,泵的电机部分应尽可能不在防爆区内,以节省投资。 6. 泵应尽可能靠近供液设备,防止NPSHa较小。 7. 蒸汽往复泵的动力侧和泵侧应留有抽出活塞和拉杆的位置。 8. 立式泵布置在管廊下方或框架下方时,其上方应留出泵体安装和检修所需的空间。 9. 各种离心泵维修检查所需空间见图1、图2和图3。管道布置时,泵的两侧至少要留出一侧做维修用。其他型式泵的维修检查所需空间见图4。 图1 单级离心泵维修检查用空间 1-顶部吸入;2-轴向水平吸入;3-密封压盖; 4-填料箱;5-维修检查用空间 图2 单级双吸离心泵维修检查用空间 1-密封部分;2-填料箱;3-密封压盖;4-维修检查空间;5-电动机 图3 多级离心泵维修检查用空间 1-密封压盖(机械密封);2-填料箱;3-维修检查用空间;4-顶部或侧向吸入;5-电动机 图4 水环式真空泵维修检查用空间 泵的安装间距 两台泵之间的净距不宜小于700mm,泵前端操作通道宽度不应小于1000mm,对于多级泵,泵前端的检修通道宽度不应小于1800mm。一般泵的前端检修通道宽度不应小于1250mm,以便小型叉车通过。
